Loading

To The Top
Contact
0
Close Account

Pool Profile

Hot Tub Profile

Close Cart

Your Cart is Empty.

Checkout
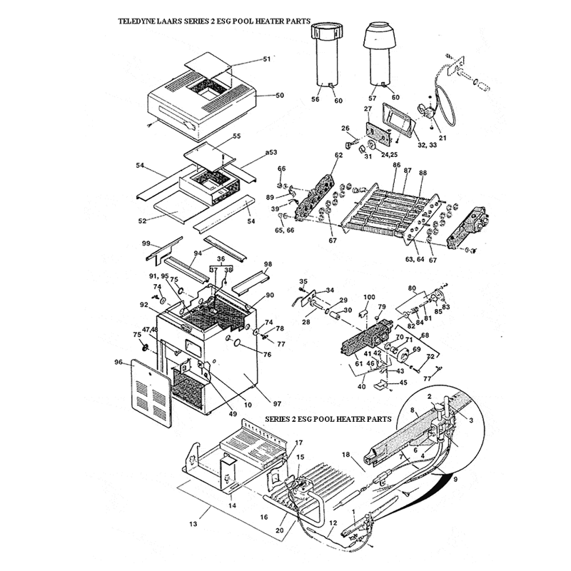
Home Parts Jandy Jandy Heater Parts Jandy Series 2 ESG Heater Parts

Jandy ESG Heater Parts

Jandy

For Series 2 Model Heaters

Explode

Parts
Parts

Current Pool Supplies Canada Sales & Promotions

Shop deals on above ground pools, semi inground pools, inground pool kits, and more.

Save Up To 15% Off Select Inground Liners

Shop Inground Liners

FREE Smart Water Reader ($439 Value)

With Select Above Ground Pool Kits

Shop Above Ground Pools

Semi Inground Pool Step For Just $499 ($3000 Value)

With a Semi Inground Pool Purchase

Shop Semi Inground Pools

Inground Pool Step + Cleaner For Just $999 ($4500 Value)

With an Inground Pool Purchase

Shop Inground Pools